Click to reach us online

TL 25 Type DC Contactor

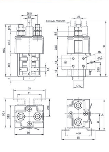
LOGO Serisi - TL25
The range of LOGO series type TL25 contactors, which are both compact in size and powerful, has been designed in accordance with the safety requirements as set out in the EUROPEAN DIRECTIVE CEE 89/392 as well as with Norms CEI EN 60947-4-1 and EN 1175-1. The products included in the range are suitable for the traction and material handling sectors using direct current and can be applied to lift trucks, industrial cleaning machines, various services on board ships and boats as well as to road and rail transport vehicles.

Coils
The d.c.coils feature terminals with 6mm double connections.
Standard duty is in intermittent mode (50%). Maximum working time is 15 mins (temporary duty).
Normalised voltages: 12 - 24 - 36 - 48 - 72 - 80 - 96V. 
The following are available: reduced consumption coils for continuous duty-option P.

Main contacts
These contactors have double breaking contacts, in Ag special alloy, resistant to arc and suitable for heavy duty.
The contacts are also available as spare parts.

Option V - dust protection
Closed contact housings can be applied to protect the contactor from oil splashes and dust.
This option cannot be used on contactor types with magnets

TL 25 Type DC Contactor

Raviolispa TL25 DC Contactor Technical Specifications

Contactor

TL 25

TL 25M

Nominal operating current at at %50 intermittent, 300op/h

Ie

150A

150A

Thermal current rating

Ith

100A

100A

Nominal voltage

Ue

24V

48V

Breaking capacity with 15 ms time constant

675A

675A

Category of usage 

DC5

DC5

Working voltage limits 

0,7-1,1Vn

0,7-1,1Vn

Coil power dissipation

20W

20W

Manoeuvre time 

pull-in time

<20ms

<20ms

drop-out time

<10ms

<10ms

Max clamps torque 

60 kgcm

60 kgcm

Mechanical life 

3 Million

3 Million

Contact material

AgCdO

AgCdO

Main contacts 

2NC

2NC

Logo series single pole contactors type TL25 are available in the following versions:
– 50% intermittent duty
– application of magnetic blowouts (option M)
– application of dust protection (option V)