Click to reach us online

TL 20 Type DC Contactor

LOGO Serisi - TL20
The range of LOGO series type TL20 contactors, which are both compact in size and powerful, has been designed in accordance with the safety requirements as set out in the EUROPEAN DIRECTIVE CEE 89/392 as well as with Norms CEI EN 60947-4-1 and EN 1175-1. The products included in the range are suitable for the traction and material handling sectors using direct current and can be applied to lift trucks, industrial cleaning machines, various services on board ships and boats as well as to road and rail transport vehicles.

Coils
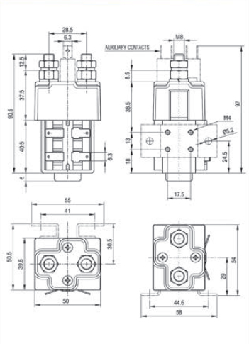
The d.c.coils feature terminals with 6mm double connections.
Standard duty is in intermittent mode (50%). Maximum working time is 15 mins (temporary duty).
Normalised voltages: 12 - 24 - 36 - 48 - 72 - 80 - 96V. 
The following are available: reduced consumption coils for continuous duty-option P.

Main contacts
These contactors have double breaking contacts, in Ag special alloy, resistant to arc and suitable for heavy duty.
The contacts are also available as spare parts.

Further options
Option M - magnetic blowouts
TL20M contactors featuring permanent magnets are recommended for voltages ≥48V dc.
In this case the polarities indicated on the cover must be respected.

Option V - dust protection
Closed contact housings can be applied to protect the contactor from oil splashes and dust.
This option cannot be used on contactor types with magnets.

Option A - auxiliary contacts
A microswitch of 1NO+1NC auxiliary contacts can be supplied mounted on the TL20 types of contactors.
Operating current (resistive load) 5A-24Vcc

Recommended working positions:
either horizontal or vertical with poles pointing upwards.

TL 20 Type DC Contactor

Raviolispa TL20 DC Contactor Technical Specifications

Contactor

TL 20

TL 20M

TL 20P

Nominal operating current at 50% intermittent, 300op/h

Ie

150A

150A

150A

Thermal current rating

Ith

100A

100A

100A

Nominal Voltage

Ue

24V

48V

24V

Breaking capacity with 15 ms time constant

675A

675A

675A

Category of usage

DC5

DC5

DC5

Working voltage limits 

0,7-1,1Vn

0,7-1,1Vn

0,8-1,1Vn

Coil power dissipation

20W

20W

12W

Manoeuvre time

pull-in time

<20ms

<20ms

<20ms

drop-out time

<10ms

<10ms

<10ms

Max clamps torque 

60 kgcm

60 kgcm

60 kgcm

Mechanical life

3 Milyon

3 Milyon

3 Milyon

Contact material

AgCdO

AgCdO

AgCdO

Main contacts 

1NO

1NO

1NO

Single Pole Contactors Type TL20
Logo series single pole contactors type TL20 are available in the following versions:
– 50% intermittent duty
– 100% duty (option P)
– application of magnetic blowouts (option M)
– application of dust protection (option V)
– application of auxiliary contacts (option A)
– with large, main contacts (option L)

The suffix A is to be added to these codes when the mounted auxiliary contact is required.

Option L - large contacts
The TL20 range of contactors feature standard D.8mm contacts.
For more severe applications, the TL20 series can mount larger contacts D.10 mm.
The suffix L denotes the wide contact code.