Click to reach us online

TL 10 Type DC Contactor

LOGO Series - TL10
The range of LOGO series contactors type TL-10, which are very small and very powerful, has been designed to be suitable for the traction and material handling fields using direct current. Such contactors can be applied to lift trucks, industrial cleaning machines, various services on board of ships and boats, as well as to road and rail transport vehicles.

Coils
The DC coils feature terminals with 6 mm connections. Standard duty is in intermittent mode (50%). Maximum working time is 15 mins (temporary duty).
Normalized voltage is: 12-24-36-48 V
Different types are available as follows: reduced consumptation coils for continous duty - option P.

Main Contacts
The contactors have silver alloy double breaking contacts, resistant to arc, suitable for heavy duty.
The NC contacts are not suitable for making or breaking current.

Integral Protection
The cover is completely protected from oil, water and dust.

Option M - Magnetic blowouts
TL10 and TL11 contactors featuring permanent magnets are recommended for voltage > 36 V d.c.
In this case the cover is open, to allow housing of the the magnets, and the polarities indicated on the cover must be respected.
 

TL 10 Type DC ContactorTL 10 Type DC Contactor

Raviolispa TL10 DC Contactor Technical Specifications

Contactor

TL 10

TL 10M

TL 10P

Nominal operating current at Ie 100A 100A 100A 50% intermittent, 300 op/h

Ie

100A

100A

100A

Thermal current rating 

Ith

72A

72A

72A

Nominal Voltage

Ue

12V-24V

12V-24V

12V-24V

Breaking capacity with 15 ms time constant

480A

480A

480A

Category of usage

DC5

DC5

DC5

Working voltage limits

0,7-1,1Vn

0,7-1,1Vn

0,7-1,1Vn

Coil power dissipation

12W

12W

5W

Manoeuvre time 

pull-in time

<20ms

<20ms

<20ms

drop-out time

<10ms

<10ms

<10ms

Max clamps torque

4 Nm

4 Nm

4 Nm

Mechanic life

3 Million

3 Million

3 Million

Contact material

AgCdO

AgCdO

AgCdO

Main contacts 

1NO

1NO

1NO

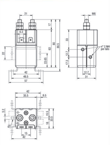
Single Pole Contactors Type TL10
LOGO series single pole contactors type TL10 are suitable in the following versions:
– 50 % intermittent coil
– 100 % intermittent - permanent coil (option P)
– application of magnetic blowouts (option M)

Accessories
The range of LOGO series contactors type TL 10 is available with a
bracket, which can be assembled like the drawing below.