LOGO Serisi - TL25
TL 25 Tip DC Kontaktörleri, ebatları itirabiyle kompakt yapısı ve kuvvetliliği ile EUROPEAN DIRECTIVE CEE 89/392 emniyet gereksinimlerine ve CEI EN 60947-4-1 ve EN 1175-1 normlarına uygun bir biçimde tasarlanmışlardır. Bu ürün grubundaki ürünler direkt akım kullanarak malzeme çekilmesi ve malzeme taşınması işleri için ve forkliftlere, endüstriyel temizlik makinelerine, gemilerde ve botlardaki değişik servislerde aynı zamanda karayolu ve demiryolu araçlarında kullanıma uygundur.
Bobin Yapısı
LOGO Serisi DC Kontaktör bobinleri, 6mm çift bağlantı uçlarına sahiptir.
Standart çalışma kesintili moddur (%50). Maksimum çalışma zamanı 15 dakikadır (geçici görev).
Nominal bobin gerilimleri : 12-24-36-48-72-80-96 VDC.
Ayrıca sürekli mod için indirgenmiş tüketim bobinleri talep edebilirsiniz (Opsiyon P).
Ana Kontak Yapısı
LOGO Serisi için kullanılan kontaklar, ağır sanayi koşullarına uygun (heavy-duty), gümüş alaşımlı ve ark'a dayanıklı bir yapıya sahiptir. Bu kontaklar çift kesme özelliğine sahiptir.
Kontaklar ayrıca yedek parça olarak ta sipariş edilebilir.
Ekstra Seçenekler
Kalıcı Magnet (M Opsiyonu)
Kalıcı magnet seçimi ile TL 25M kontaktörleri sürekli mıknatıs özelliğine sahip olur. 48VDC ve üzeri ürünlerde önerilir.
Toz Koruması (V Opsiyonu)
Kapalı kontak muhafazaları kontaktörü yağ sıçramaları ve tozdan korumak için kullanılabilir. Bu seçenek sürekli mıknatıs modellerde kullanılmaz.


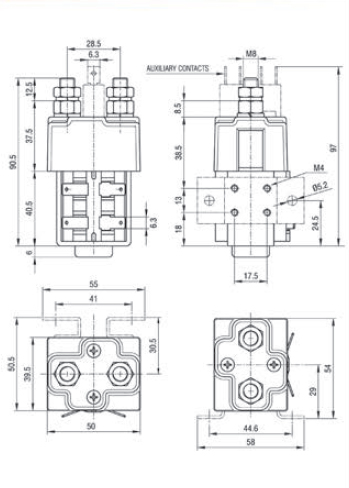
Raviolispa TL25 Tip DC Kontaktör Teknik Özellikleri
|
Kontaktör Serisi
|
TL 25
|
TL 25M
|
|
%50 Kesintili Mod Nominal Çalışma Akımı, 300op/h
|
Ie
|
150A
|
150A
|
|
Termal Akım Değeri
|
Ith
|
100A
|
100A
|
|
Nominal Gerilim
|
Ue
|
24V
|
48V
|
|
15ms zaman sabitli kesme kapasitesi
|
675A
|
675A
|
|
Kullanım Kategorisi
|
DC5
|
DC5
|
|
Çalışma Gerilim Limitleri
|
0,7-1,1Vn
|
0,7-1,1Vn
|
|
Bobin Güç Kayıpları
|
20W
|
20W
|
|
Tatbik Süreleri
|
Çekme Süresi
|
<20ms
|
<20ms
|
|
Bırakma Süresi
|
<10ms
|
<10ms
|
|
Terminal Tablosunda ki Maksimum Tork
|
60 kgcm
|
60 kgcm
|
|
Mekanik Ömrü
|
3 Milyon
|
3 Milyon
|
|
Kontak Materyali
|
AgCdO
|
AgCdO
|
|
Ana Kontaklar
|
2NC
|
2NC
|
TL 25 Tip DC Kontaktörler, aşağıda verilmiş olan çeşitli opsiyonlarda ve farklı gerilimlerde temin edilebilir.
- %50 Kesintili Mod ( Standart )
- Manyetik Söndürme ( Magnet ) ( Opsiyon M )
- Toz Koruması ( Opsiyon V )
Talep üzerine yüksek adetler alınması halinde TL 25 Serisi DC Kontaktörler için kesintisiz bobin ( Opsiyon P ) ve/veya daha geniş kontaklar ( Opsiyon L ) Sipariş edilmesi mümkündür.
TL 25 kontaktörler standart D.8mm kontaklara sahiptir. Bazı uygulmara özel D.10mm kontakları ( L Opsiyonu ) ile daha geniş kontakları temsil eder.