LOGO Serisi - TL20
TL 20 Tip DC Kontaktörleri, ebatları itirabiyle kompakt yapısı ve kuvvetliliği ile EUROPEAN DIRECTIVE CEE 89/392 emniyet gereksinimlerine ve CEI EN 60947-4-1 ve EN 1175-1 normlarına uygun bir biçimde tasarlanmışlardır. Bu ürün grubundaki ürünler direkt akım kullanarak malzeme çekilmesi ve malzeme taşınması işleri için ve forkliftlere, endüstriyel temizlik makinelerine, gemilerde ve botlardaki değişik servislerde aynı zamanda karayolu ve demiryolu araçlarında kullanıma uygundur.
Bobin Yapısı
LOGO Serisi DC Kontaktör bobinleri, 6mm çift bağlantı uçlarına sahiptir.
Standart çalışma kesintili moddur (%50). Maksimum çalışma zamanı 15 dakikadır (geçici görev).
Nominal bobin gerilimleri : 12-24-36-48-72-80-96 VDC.
Ayrıca sürekli mod için indirgenmiş tüketim bobinleri talep edebilirsiniz (Opsiyon P).
Ana Kontak Yapısı
LOGO Serisi için kullanılan kontaklar, ağır sanayi koşullarına uygun (heavy-duty), gümüş alaşımlı ve ark'a dayanıklı bir yapıya sahiptir. Bu kontaklar çift kesme özelliğine sahiptir.
Kontaklar ayrıca yedek parça olarak ta sipariş edilebilir.
Ekstra Seçenekler
Kalıcı Magnet (M Opsiyonu)
Kalıcı magnet seçimi ile TL 20M kontaktörleri sürekli mıknatıs özelliğine sahip olur. 48VDC ve üzeri ürünlerde önerilir.
Toz Koruması (V Opsiyonu)
Kapalı kontak muhafazaları kontaktörü yağ sıçramaları ve tozdan korumak için kullanılabilir. Bu seçenek sürekli mıknatıs modellerde kullanılmaz.
Yardımcı Kontaklar (A Opsiyonu)
1NO + 1NC yardımcı kontaklı bir mikro-switch TL 20 Serisi kontaktörlere monte edilebilir. Çalışma akımı (dirençli yük) 5A-24Vcc.


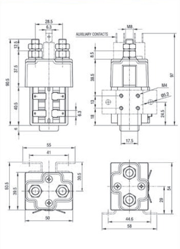
Raviolispa TL20 Tip DC Kontaktör Teknik Özellikleri
|
Kontaktör Serisi
|
TL 20
|
TL 20M
|
TL 20P
|
|
%50 Kesintili Mod Nominal Çalışma Akımı, 300op/h
|
Ie
|
150A
|
150A
|
150A
|
|
Kesintisiz Modda Termal Akım Değeri
|
Ith
|
100A
|
100A
|
100A
|
|
Nominal Gerilim
|
Ue
|
24V
|
48V
|
24V
|
|
15ms zaman sabitli kesme kapasitesi
|
675A
|
675A
|
675A
|
|
Kullanım Kategorisi
|
DC5
|
DC5
|
DC5
|
|
Çalışma Gerilim Limitleri
|
0,7-1,1Vn
|
0,7-1,1Vn
|
0,8-1,1Vn
|
|
Bobin Güç Kayıpları
|
20W
|
20W
|
12W
|
|
Tatbik Süreleri
|
Çekme Süresi
|
<20ms
|
<20ms
|
<20ms
|
|
Bırakma Süresi
|
<10ms
|
<10ms
|
<10ms
|
|
Terminal Tablosunda ki Maksimum Tork
|
60 kgcm
|
60 kgcm
|
60 kgcm
|
|
Mekanik Ömrü
|
3 Milyon
|
3 Milyon
|
3 Milyon
|
|
Kontak Materyali
|
AgCdO
|
AgCdO
|
AgCdO
|
|
Ana Kontaklar
|
1NO
|
1NO
|
1NO
|
TL 20 Tip DC Kontaktörler, aşağıda verilmiş olan çeşitli opsiyonlarda ve farklı gerilimlerde temin edilebilir.
- %50 Kesintili Mod ( Standart )
- %100 Sürekli Mod Bobini ( Opsiyon P )
- Manyetik Söndürme ( Magnet ) ( Opsiyon M )
- Toz Koruması ( Opsiyon V )
- Yardımcı Kontak ( Opisyon A )
- Geniş Ana Kontaklar ( Opsiyon L )
Yardımcı kontak talep edileceği zaman kontaktör sipariş kodunun sonuna " A " eklenir.
TL 20 Kontaktörler standart D.8mm kontaklara sahiptir. Bazı uygulamalara özel D.10mm kontakları ( L Opsiyonu ) ile daha geniş kontaklar temin edilebilir.