Fiyat teklifi için lütfen tıklayınız

EOCR Model DS

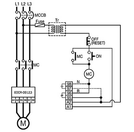
Schneider Electric AC Akım Rölesi EOCR - DS (T)
Solid State Aşırı Akım
Koruma Rölesi

  • 3 Dahili Akım Trafosu
  • Çoklu Koruma Fonksiyonu
  • Ayarlanabilir Geniş Akım Aralığı ( 10 : 1 )
  • Elektronik Emniyet Pimi Fonksiyonu
  • Ampermetre Fonksiyonu
  • LED'li İşletim Gösterimi
  • Yüksek Derecede Kesinlik
  • Elektrikli Uzaktan Reset
  • Test Fonksiyonu
  • Ortamdan Etkilenmeme
  • Düşük Enerji Tüketimi
  • Arıza – Güvenlikli İşletim
  • Birbirinden bağımsız olarak ayarlanabilen gecktirme ve açma zaman ayarı olanağı
  • EOCR-DS + Güç Terminali Kiti   → EOCR – DST
EOCR Model DSEOCR Model DSEOCR Model DS

EOCR – DS Teknik Özellikleri

  • 3 Akım Trafosu
  • Elektronik emniyet pini fonksiyonu
  • Birbirinden bağımsız olarak ayarlanabilen geciktirme ve açma zaman ayarı olanağı.
  • EOCR-DS + Güç Terminali Kiti →EOCR-DST

Protection

Protective Item

Operating(Trip) Time

Over-current

O-TIME

Phase Loss

O-TIME

Locked Rotor

O-TIME + D-TIME

 

 

 

 

 

 

 

Specification

Current Setting

Type

Range

05

0.5 ~ 6A

30

3.0 ~ 30A

60

5.0 ~ 60A

over 60A~

Ext. CT Option

Time Setting

Start

D-TIME

0.2 ~ 30sec

Trip

O-TIME

0.2 ~ 10sec

Control Voltage

220

90 ~260VAC

440

320 ~ 480VAC

Output Relay

Mode

2-SPST(1a1b)

Rating

3A / 250VAC Resistive

Status

Normally Energized

Time-Current Characteristic

Definite

Operating(Trip) Indication

2-LED

Mounting

35mm DIN-Rail / Panel