Fiyat teklifi için lütfen tıklayınız

EOCR Model 3DE / FDE

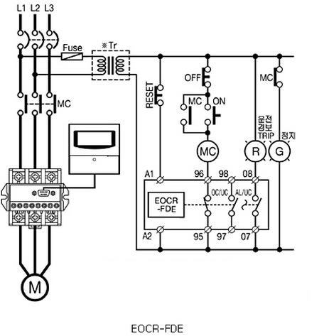
Schneider Electric AC Akım Koruma Rölesi EOCR - 3DE / FDE

  • Kompakt Tasarım
  • MCU ( Mikro İşlemci ) Tabanlı
  • Çoklu Koruma Fonksiyonu
  • Dijital Ampermetre / 3Faz Akım Göstergesi
  • Pratik Hata Giderme / İşlem Nedeni Hafızası / Gösterimi
  • Ayarlanabilir Geniş Akım Aralığı
  • Seçilebilir Zaman – Akım Karakteristiği (Ters / Kesin )
  • Manuel Reset / Elektrikli Uzaktan Reset
  • Test Fonksiyonu
  • Ayarlanabilir İşlem Seçenekleri
  • Seçilebilir Arıza – Güvenlik ve Arıza Güveliksiz İşletim Modları
  • Frekans İnvertörü (20~400Hz)
  • EOCR-3DE : Panel Montajlı
  • EOCR-FDE : Sıva Altı Montajlı
EOCR Model 3DE / FDEEOCR Model 3DE / FDE

EOCR - 3DE / FDE Teknik Özellikler

•    Mikroişlemci kontrollü
•    3 Akım Trafolu
•    Aşırı akım, düşük akım, faz kaybı, faz dengesizliği, ters faz, motor kilitlenmesi korumaları
•    Dijital ampermetre & Açma nedeni göstergesi
•    Seçilebilir açma zaman-akım karakteristikleri
•    Bağımsız olarak ayarlanabilen açma gecikmesi başlangıcı ve açma zamanı ayarı
+ Yük ikaz fonksiyonu → EOCR-3DE
+ Topraklama hatası koruması → EOCR-3EZ

Protection

Protective Item

Trip Time

Over-current

DEF:0.2~30 sec, INV:1~30 class

Under-current

0.5~30 sec

Phase Loss

0.1~0.3 sec

Phase Unbalance

within 8 sec

Phase Reversal

0.1~0.3 sec

Locked Rotor

Lock : within 0.5sec after D-time(in DEF set)
Stall : 0.05 ~ 10sec (in DEF set)

Specification

Current Range

Over-Current(oc)

0.5~960A(Over 60A with External CTs)

Under-Current(uc)

0.5~59A/OFF(Over 60A with External CTs)

Phase Unbalance

5~50%

Alert Setting

50~100% of Oc setting

Time Setting Range

Start Delay Time (D-TIME)

1~200sec (Definitive)

Trip Delay Time Setting (O-TIME)

INV

1-30

DEF

0.2-30 sec

Control Voltage

110VAC±15%, 220VAC±15%, 24VAC/DC

Output Relay

OC/UC

2-SPST, 3A/250VAC Resistive

AL/UC

1-SPST,3A/250VAC Resistive

Time Characteristic

In/"tc"mode

Inverse

dE/"tc"mode

Definite

Trobleshooting/Trip Indication

LED Display(3 Trip causes memory)

Current Sensing

3-CT

Mounting

35mm DIN-Rail/Panel