Fiyat teklifi için lütfen tıklayınız

EOCR Model AR

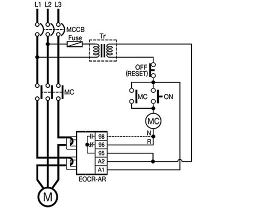
Schneider Electric AC Akım Koruma Rölesi EOCR - AR
Solid State Aşırı Akım
Koruma Rölesi

  • Kompakt Tasarım
  • Çoklu Koruma Fonksiyonu
  • Ayarlanabilir Geniş Akım Aralığı ( 10 : 1 )
  • Ampermetre Fonksiyonu
  • LED'li İşletim Gösterimi
  • Yüksek Derecede Kesinlik
  • Manuel Reset
  • Elektrikli Uzaktan Reset
  • Test Fonksiyonu
  • Ortamdan Etkilenmeme
  • Düşük Enerji Tüketimi
  • Arıza – Güvenlikli İşletim
  • Otomatik Reset ve Ayarlanabilir Reset Zamanlayıcı
  • 2 Dahili Akım Trafosu
EOCR Model AREOCR Model AR

EOCR - AR Teknik Özellikler

•    2 Akım Trafosu
•    Otomatik resetleme ve ayarlanabilir resetleme zamanı

Protection

Protective Item

Operating(Trip) Time

Over-current

O-TIME

Phase Loss

O-TIME

Locked Rotor

O-TIME

 

 

 

 

 

 

Specification

Current Setting

Type

Range

05

0.5 ~ 6A

30

3.0 ~ 30A

60

5.0 ~ 60A

over 60A~

with External CT(CT ratio: 100/5A ~ 600/5A)

Time Setting

Start

D-TIME

0.2 ~ 30sec

Trip

O-TIME

0.2 ~ 10sec

Control Voltage

220

90 ~260VAC

440

320 ~ 480VAC

Output Relay

Mode

1-SPDT(1C)

Rating

3A / 250VAC Resistive

Status

Normally Energized With Power

Time-Current Characteristic

Definite

Operating(Trip) Indication

LED

Mounting

35mm DIN-Rail / Panel