Click to reach us online

T 106C, T 156C, T 206C NO/NC Pole DC Contactor

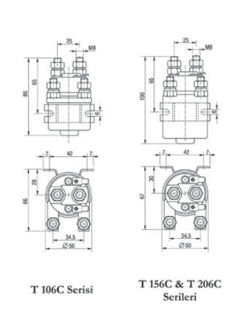
Ravioli T106C / T156C / T206C DC Contactor 
Main features of the range

The TECNO series contactors' range, compact but powerful, has been designed to be suitable for the traction and material handling fields using direct current.
Such contactors can be applied to lift trucks, industrial cleaning machines, various services on board of ships and boats, as well as to road and rail transport vehicles.

Coils
The DC coils feature terminals with 6 mm connections for the TECNO 6 series and screw connections for the TECNO 4 series. 
Standard duty is :
- for T 106, T 206 intermittent mode (80 %)
- for T 154, T 204 intermittent mode (80 %)
- for T 106 C , T 206 C intermittent mode (50%) with maximum working time of 15 minutes ( temporary duty ).
Normalized voltage is : 12 - 24 - 36 V
Different types are available as follows : reduced consumptation coils for continuos duty - option P .

Integral protection
The cover is completely protected from oil, water and dust.

Main contacts
The contactors have silver alloy double breaking contacts, resistant to arc, suitable for heavy duty. 
The TECNO 6 Series is formed also by contactors with main contacts 1 NO and 1 NO+1 NC ; further it is possible to provide a motor reverser that includes both the DC contactors 1 NO+1 NC with the electrical connections. The NC contacts are not suitable for making or breaking current. Correct use of the motor reverser The used contactors have fast drop-out time (8 msec) and relatively long pull-in times (approx. 25 msec). In this way, safe reversals can be carried out the risk of the contacts being closed at the same time. The use of suppressor diodes, however, increases drop-out time, and therefore it is important to choose the most suitable type of suppressor (diode+resistor).
 

For Your Safety
The range of TECNO series comply with the current safety rules and in particular:
• 98/37/EC Machine Directive
• 2006/95/EC Low Voltage Directive
• 2004/108/EC EMC Directive
• 2002/95/EC RoHS
• UNI EN 1175-1 Safety of industrial trucks
• CEI EN 60947-4-1 Low voltage switch gear and control gear
• CEI EN 61000-6-4 EMC Emission
• CEI EN 61000-6-2 EMC Immunity

Guaranteed Quality Product
The range of TECNO series contactors is guaranteed by our EC Certificate of Conformity, available upon request, in which it is declared that such product was created by RAVIOLI in accordance to defined and recognised Safety Regulations, and in compliance with the Quality standards stated in our UNI EN ISO 9001:2000 Quality System Certificate.

Installation and cabling instructions
The TECNO contactors must be installed by a qualified staff, according to current safety law . Electrical current must be switched off before wiring.
For better loss of heat use proof cables according to the usage current. Assure that the terminal power cables are locked with nut at max clamps torque of 6 Nm.
The NC contacts are not suitable for making or breaking current. The assembling can be made by the bracket. 
Recommended working positions : either horizontal or vertical with poles set upwards. 
Operating Temperature -25°C+40°C RAVIOLI declines any responsability for damage deriving from incorrect installation or improper use of the product.

T 106C, T 156C, T 206C NO/NC Pole DC ContactorT 106C, T 156C, T 206C NO/NC Pole DC Contactor

T 106C, T 156C, T 206C NO/NC Pole DC Contact Technical Features

Contactor

T-106 C

T-156 C

T-206 C

Nominal operating current 

120A

150A

180A

Thermal current rating, permanent duty 

80A

100A

150A

Nominal voltage

12V – 24V

12V – 24V

12V – 24V

Breaking capacity with 15 ms. time constant 

480A

600A

720A

Category of usage 

DC5

DC5

DC5

Working voltage limits

0,7-1,1Vn

0,7-1,1Vn

0,7-1,1Vn

Coil power dissipation

22W

22W

22W




Operating time 

pull-in time

30ms

30ms

30ms

drop-out time

10ms

10ms

10ms

Max. torque at terminal board

6 Nm

6 Nm

6 Nm

Mechanical life

op n

2x10^6

2x10^6

2x10^6

Main contacts 

1NO 1NC

1NO 1NC

1NO 1NC

Codes

E T106ACX

E T156ACX

E T206ACX

UE Gerilimine Dayanan Nominal Açma Akımının Değişimi

Model

Ue

12 & 24 V

36 V

T 106C (1NO)

Ie

120A

75A

T 156C (1NO)

Ie

150A

90A

T 206C (1NO)

Ie

180A

100A