Click to reach us online

2T 106C, 2T 156C, 2T 206C NO/NC Pole DC Contactor

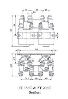
Ravioli 2T 106C / 2T 156C / 2T 206C DC Contactor 
Main features of the range

The TECNO series contactors' range, compact but powerful, has been designed to be suitable for the traction and material handling fields using direct current.
Such contactors can be applied to lift trucks, industrial cleaning machines, various services on board of ships and boats, as well as to road and rail transport vehicles.

Main contacts
The contactors have silver alloy double breaking contacts, resistant to arc, suitable for heavy duty. The TECNO 6 Series is formed also by contactors with main contacts 1 NO and 1 NO+1 NC ; further it is possible to provide a motor reverser that includes both the d.c. contactors 1 NO+1 NC with the electrical connections.
The NC contacts are not suitable for making or breaking current.

Correct use of the motor reverser
The used contactors have fast drop-out time (8 msec) and relatively long pull-in times (approx. 25 msec). In this way, safe reversals can be carried out the risk of the contacts being closed at the same time. The use of suppressor diodes, however, increases drop-out time, and therefore it is important to choose the most suitable type of suppressor (diode+resistor).

Tecno 6 Series General Specs.
- Nominal Voltage : 12 VDC, 24 VDC veya 36 VDC,
- Main contact : 2 X1NO 1NC

2T 106C, 2T 156C, 2T 206C NO/NC Pole DC Contactor2T 106C, 2T 156C, 2T 206C NO/NC Pole DC Contactor2T 106C, 2T 156C, 2T 206C NO/NC Pole DC Contactor