Fiyat teklifi için lütfen tıklayınız

T 106C, T 156C, T 206C Değ. Kutuplu DC Kontaktör

Ravioli T106C / T156C / T206C DC Kontaktör
TECNO 6 Serisi güçlü olmasının yanında kompakt bir yapıya sahiptir. Direkt akım kullanılan malzeme taşıma ve kaldırma alanlarına uygun olarak üretilmiş ideal bir üründür. 
T 106C, T 156C, T 206C Değişken Kutuplu DC Kontaktör başlıca kullanım alanları: forkliftler, endüstriyel temizlik makinaları, çeşitli gemi ve bot servisleri, kara ve demiryolu araçları ve akülü araçlar. 
Tüm ağır endüstriyel ortamlarda kullanıma uygundur. TECNO 6 Serisi bobinlere vidalı bağlantı saglanır.

Tecno 6 Serisi Genel Özellikleri
- Nominal Voltaj : 12 VDC, 24 VDC veya 36 VDC,
- 1NO 1NC değişken kontaklı ana kontak yapısı,
- Metal kaplamalı gövde ve yağ, su ve toza karşı korumalı,
- Yardımcı kontak blokları ilave edilebilir,
- Heavy-duty, ağır sanayi koşullarına uygun.

TECNO 6 Değişken KontaklıTECNO 6 Değişken Kontaklı

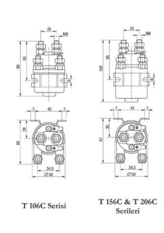
T 106C, T 156C, T206C Değişken Kutuplu DC Kontaktör Teknik Özellikleri

Kontaktör

T-106 C

T-156 C

T-206 C

Nominal çalışma akımı

120A

150A

180A

Termal akım, daimi çalışma

80A

100A

150A

Nominal voltaj

12V – 24V

12V – 24V

12V – 24V

15 ms. Zaman sabitli kesme kapasitesi

480A

600A

720A

Kullanım kategorisi

DC5

DC5

DC5

Çalışma gerilim limitleri

0,7-1,1Vn

0,7-1,1Vn

0,7-1,1Vn

Bobin güç kaybı

22W

22W

22W





Çalışma süresi

Çekme süresi

30ms

30ms

30ms

Bırakma süresi

10ms

10ms

10ms

Terminal tablosundaki
maksimum tork

6 Nm

6 Nm

6 Nm

Mekanik ömür

op n

2x10^6

2x10^6

2x10^6

Ana kontaklar

1NO 1NC

1NO 1NC

1NO 1NC

Kodlar

E T106ACX

E T156ACX

E T206ACX

UE Gerilimine Dayanan Nominal Açma Akımının Değişimi

Model

Ue

12 & 24 V

36 V

T 106C (1NO)

Ie

120A

75A

T 156C (1NO)

Ie

150A

90A

T 206C (1NO)

Ie

180A

100A