Fiyat teklifi için lütfen tıklayınız

T 106, T 156, T 206 Tek Kutuplu DC Kontaktör

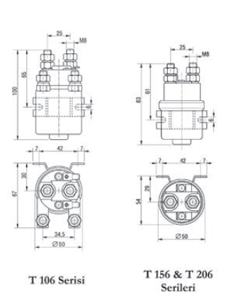
Ravioli T106 / T156 / T206 DC Kontaktör
TECNO 6 Serisi güçlü olmasının yanında kornpakt bir yapıya sahiptir. Direkt akım kullanılan malzeme taşıma ve kaldırma alanlarına uygun olarak üretilmiş ideal bir üründür. 
T 106, T 156, T 206 Tek Kutuplu DC Kontaktörlerin başlıca kullanım alanları: forkliftler, endüstriyel temizlik makinaları, çeşitli gemi ve bot servisleri, kara ve demiryolu araçları ve akülü araçlar. 
Tüm ağır endüstriyel ortamlarda kullanıma uygundur. TECNO 6 Serisi bobinlere vidalı bağlantı saglanır.

Tecno 6 Serisi Genel Özellikleri
- Nominal Voltaj : 12 VDC, 24 VDC veya 36 VDC,
- Ana kontaklar gümüş alaşımlı ve ark'a dayanıklı,
- Metal kaplamalı gövde ve yağ, su ve toza karşı korumalı,
- Tecno 4 serisi 1NO veya 1NO & 1NC,
- Heavy-duty, ağır sanayi koşullarına uygun.

TECNO 6TECNO 6

T 106, T 156, T206 Tek Kutuplu DC Kontaktör Teknik Özellikleri

Kontaktör

T-106

T-156

T-206

Nominal çalışma akımı

120A

150A

180A

Termal akım, daimi çalışma

80A

100A

150A

Nominal voltaj

12V – 24V

12V – 24V

12V – 24V

15 ms. Zaman sabitli kesme kapasitesi

480A

600A

720A

Kullanım kategorisi

DC5

DC5

DC5

Çalışma gerilim limitleri

0,7-1,1Vn

0,7-1,1Vn

0,7-1,1Vn

Bobin güç kaybı

12W

22W

20W





Çalışma süresi

Çekme süresi

30ms

30ms

30ms

Bırakma süresi

10ms

10ms

10ms

Terminal tablosundaki
maksimum tork

6 Nm

6 Nm

6 Nm

Mekanik ömür

op n

2x10^6

2x10^6

2x10^6

Ana kontaklar

1NO

1NO

1NO

Kodlar

E T106AX

E T156AX

E T206AX

UE Gerilimine Dayanan Nominal Açma Akımının Değişimi

Model

Ue

12 & 24 V

36 V

T 106C (1NO)

Ie

120A

75A

T 156C (1NO)

Ie

150A

90A

T 206C (1NO)

Ie

180A

100A