Click to reach us online

PSG Series Slip Ring

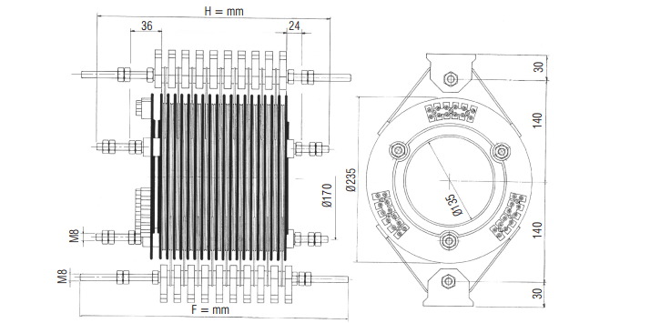
Ravioli PSG Series Slip-Ring, PSP protected and PSP waterproof, have been requested for years for their execution and for the slideway between rings and brushes with a peculiar V contact. Brush-holders have copper graphite brushes.

Electrical Features

Nominal voltage : 660 V AC - DC
Nominal current : Ith 20 A - 60 A 
Protection degree : None
Max rotating speed : 30 revs / min
Test voltage : 2,5 kV
Operating temperature : - 20 °C ÷ + 60 °C

 

Ravioli PSG Slipring

Main Performances
Execution : Without housing. It is necessary that housing has to be realized by end user according to the armonized rules to assure a suitable protection 
Positioning : Vertical axis
Inside Passage :  Diameter 135 mm suitable for cables passages, ropes and so on
Connections : Directly on the terminal box for the rings and on the brush holder terminals 
Brushes : 20 A to 60 A copper graphite.
Executions : From 4 to 36 rings 20 A - mixed executions 20/60 A 
Armonized Rules : EN 60947-5-1 EN 60529 EEC 73/23 - EEC 89/336 - CEE 89/392 Directive
Marking : CE