Click to reach us online

PRG Series Slip Ring

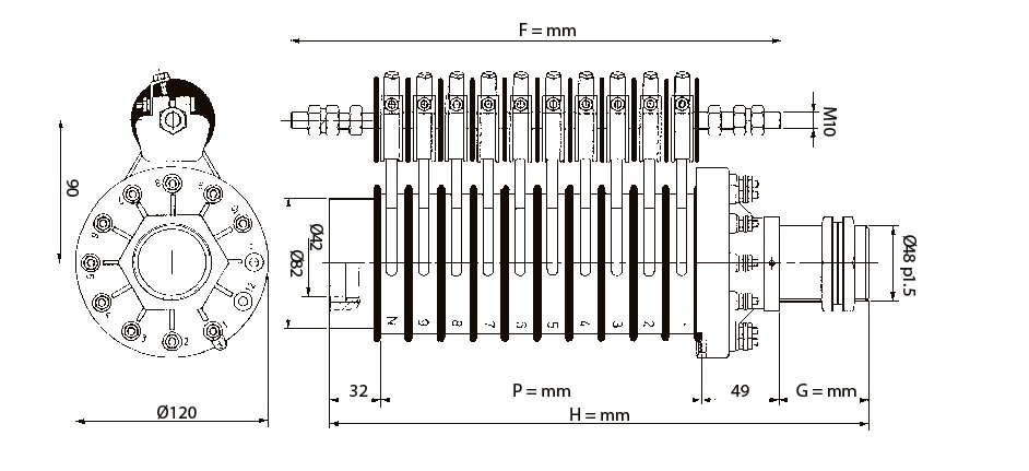
Ravioli PRG Series Slip-Ring, without housing, is available with a large diameter possibility: 85 mm. up to 2000 mm., and for this it is possible to have a wide internal passage and different Amperes. Brush-holders can have blade or copper graphite brushes.

Electrical Features

Nominal voltage : 660 V AC - DC
Nominal current : Ith 20 A - 50 A 
Protection degree : None
Max rotating speed : 30 revs / min
Test voltage : 2,5 kV
Operating temperature : - 20 °C ÷ + 60 °C

 

PRG Series Slip-RingsPRG Slipring

Main Performances
Execution : Without housing. It is necessary that housing has to be realized by end user according to the armonized rules to 
Positioning : Vertical axis
Inside Passage :  42 mm diameter through steel pipe for the passage
Connections : Directly on the terminal box for the rings
Brushes : 50 A blade or copper graphite
Executions : From 4 to 14 rings 50 A
Armonized Rules : EN 60947-5-1 EN 60529 EEC 73/23 - EEC 89/336 - EEC 89/392 Directive
Marking : CE