Click to reach us online

EXD Series Slip Ring

EXD sliprings are ATEX approved for Zone 21 and 22, and they are IP65; compact and modular, they are particularly required in dusted areas subject to a high explosion risk.

Electrical Features
Nominal voltage :  400 V ac - dc
Nominal current :  Ith 34A - 7 A
Protection degree : IP 65
Max rotating speed :  50 revs / min
Test voltage :  2,5 kV for 1 min.
Operating temperature - 20 °C ÷ + 40 °C

Applications
Proof to areas with potentially explosive dust atmosphere, ZONE 21 and 22
II 2 D Ex tD A21 IP 65 T70°C

 

Standart EXD Slip Ring Models

Model No

Conductive

Length

G EXD D4

4 x 34A + anti-condensation

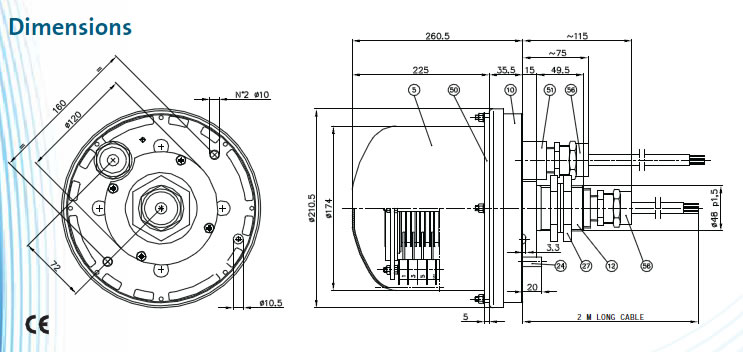
260,5

G EXD D4N

4 x 34A

260,5

G EXD D4B2N

4 x 34A + 2 x 7A

260,5

G EXD B4

4 x 7A

260,5

G EXD B6N

6 x 7A

260,5