Fiyat teklifi için lütfen tıklayınız

PRG Serisi Slip Ring

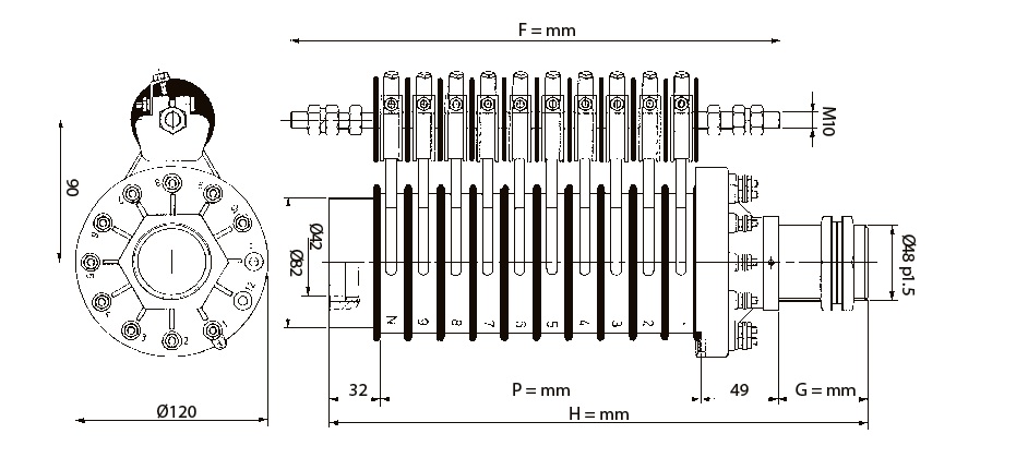
Ravioli PRG Serisi Slip-Ring, açık tip ve geniş çaplı olarak 85mm'den 2000mm'e kadar istenilen çapta ve amperajda talep üzerine üretimi yapılmaktadır.
Fırça tutucuların kömürleri, talebe göre bakır ya da grafit olabilir.

 

Nominal Gerilim : 660 V ac - dc
Nominal Çalısma Akımı  : Ith 20 A - 50 A 
Koruma Sınıfı : Yok
Maksimum Devir Hızı : 30 revs / dk
Test akımı : 2,5 kV
Çalışma sıcaklık aralığı :  - 20 °C ÷ + 60 °C

PRG Serisi SlipringPRG Serisi Slipring

Ana Performans Değerleri
İmalat : Açık tipli. Son kullanıcı tarafından uygun kurallara göre bir koruma gerçekleştirilmelidir.
Konumlanma : Dikey eksen
İç Alan Boşluğu : Merkezde ki çelik boru iç çapı  42 mm 'dir.
Bağlantılar : Direk olarak terminal kutu içerisinde ki yüzüklere bağlanır.
Fırçalar : 50 A bıçak ağzı bakır grafit
İmalat : 4'ten 14'e kadar iletken 50 A
Uygunluk : 
EN 60947-5-1 EN 60529 EEC 73/23 - EEC 89/336 - EEC 89/392
CE Belgesi