Fiyat teklifi için lütfen tıklayınız

PMS Serisi Slip Ring

• 50 A Kontak Seçenekleri
• 50 A/20 A Kontaklı Karışık İmalat
• Gövde Borusu Olmayan Arkası Düz Versiyon
• Altın ya da Gümüş Konnektörlü Sinyal Versiyonları

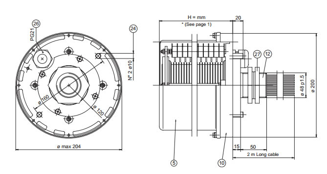
Gövde : Alüminyum, iç mekanlarda veya dış mekanlarda kurulumu için uygundur.
Konum : Dikey eksen
Bağlantılar : 2 metre uzunluğunda kablo ile kablolnamış konnektörler
Kablo Girişi : Konnektörler için hızlandırıcı boru içinde ve fırça tutucular için PG21 içinden kablo girişi
Fırçalar : 20 A veya 50 A bakır grafit
İmalatlar : 10 ila 30 konnektör 20 A'dan- 20/50 A karışım imalatlara
Uygunluk : EN 60947 - 5 - 1 EN 60529 EEC 73/23 - EEC 89/336 - EEC 89/392
Onay sertifikasyon : CE

Nominal Akım : 660 V ac - dc
Nominal Çalışma : Ith 20 A - 50 A 
Koruma Derecesi : IP 55
Maks. Devir Sayısı : 30 d / dk
Test Akımı : 2,5 kV
Çalışma Sıcaklığı : - 20 °C ÷ + 60 °C

Standard PMS Slip Rings Serisi Kodları

Model Numarası

İletken

Uzunluk (mm)

G PMS B10

10

91

G PMS B16

16

141

G PMS B20

20

141

G PMS B26

26

192

G PMS B30

30

192