Fiyat teklifi için lütfen tıklayınız

PMP Serisi Slip Rings

Ravioli PMP Serisi Slip Rings

PMP Serisi döner konnektörler Ravioli'nin müşteri taleplerine cevap vermek ve küçük ebatlarda yüksek performans elde etmek için ürettiği bir üründür. Bu slip rings, konnektörler arasında 5mm. olması sayesinde, küçük bir ebat içerisinde fazla sayıda şeridin kullanılmasına olanak sağlar. Fırçalı saplar bakır grafit fırçalara sahiptir.

Metal Gövde
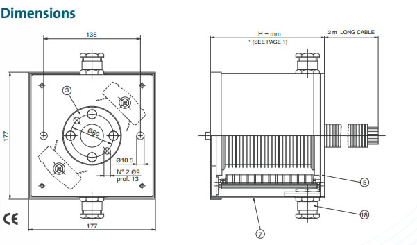
Dik açı konumu
Konnektörler 2m uzun kablolu bağlantı
Tek kutuplu kablolu bağlantı, konnektörlere bağlı tek kutuplu kablolarla ve iki boru birleşimi içinden 3/4'' Gaz fırça tutuculara bağlanır.
 

PMP Serisi Slip Rings

Nominal Çalısma Akımı
Nominal Çalısma Gerilimi 
Fırça Kontak Elementi 
Maksimum Devir Sayısı
Test Akımı 
Koruma Sınıfı 
Kalite Standartları 

Lth 20 A - 50 A
660V AC / DC
Karbon-grafit
30 d / dk.
2,5 kV
IP42
CE

Standart PMP Slip Rings Serisi Kodları

Model Numarası

İletken

Uzunluk

G PMP B18

18

130

G PMP B24

24

160

G PMP B30

30

190

G PMP B36

36

220

G PMP B42

42

250