Schneider Electric DC Akım Koruma Rölesi EOCR - DCL / DUCR
Elektronik DC Akım Koruma Rölesi
- DC Motor ve Makinalar için Kullanıma Uygundur.
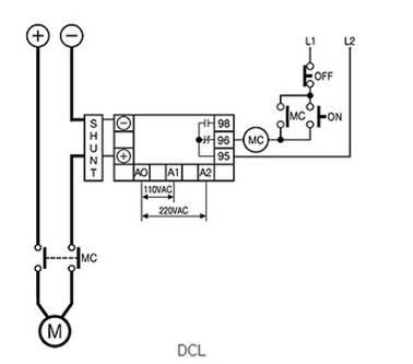
- Şönt tarafından oluşturulan mili-volt (mV) sinyalleri sisteme önceden tanımlı olan aşırı yüklenme durumu değerleri ile karşılaştırılır,aşırı yüklenme durumu olduğunda röle devreye girer. Daha kolay müdahaleye imkan sağlar.Sistemde hem DC aşırı akım, hem de DC düşük akım korumaları mevcuttur.
- 1 Amperden yüzlerce Ampere kadar DC akım koruması mevcuttur.
- DC ampermetre şönt yerine kullanılabilir.( DC Ampermetre içerisinde şönt barındırmakta ve voltajı 50mV olarak sabit tutabilmektedir.)
EOCR - DCL / DUCR Teknik Özellikler
Protection
|
Protective Item
|
Trip Time
|
|
DCL
|
DUCR
|
|
Over-current
|
O-TIME
|
-
|
|
Undercurrent(Dry-run)
|
-
|
O-TIME
|
Specification
|
Current Setting
|
Type
|
DCL
|
DUCR
|
|
DC Over-current Relay
|
DC Under-current Relay
|
|
70
|
Secondary Voltage of Shunt
|
|
Trip Time Setting
|
O-TIME
|
30sec
|
|
Reset
|
M
|
Manual(Instantaneous)/Electrical(Remote)
|
|
A
|
Aoto(Instantaneous)/Reset(Option)
|
|
Power Supply
|
Voltage
|
24
|
100/220VAC
|
Other Voltage(Option)
|
|
110
|
380/440VAC
|
|
Frequency
|
50/60Hz
|
|
Indication
|
LED
|
|
Operating(Trip) Indication
|
N
|
Normally Energized
|
|
R
|
Normally De-Energized
|
|
Mount
|
Panel
|