Fiyat teklifi için lütfen tıklayınız

MC Serisi ve MW Serisi Joystick

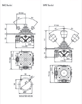
Ravioli endüstriyel joystick senleri, ağır sanayi koşulları altında makineleri kumanda eden bir yardımcı cihazdır. üstün kalitesi ve çok yönlü tasarımı kesin güvenirlilik saglar. Hareket mekanizması, tek ve çift ve her eksen boyunca veya her iki eksende yani 360° olabilir Maksimum kol hareketi her eksen için 40.'dir.

 

 

MC & MW Serisi JoysticklerMC & MW Serisi Joystickler

MC Serisi ve MW Serisi Joystick Teknik Özellikleri
Standartlara Uygunluk  : CEI EN 60947-5-1
Yalıtım Gerilimi  :  660 V ~
Isıl Akım : 10 A
Mekanik Ömrü : 106 operations
Maks. Bağlanabilir kablo kısmı : 2x1,5 mm2 or 1x2,5mm2
Bağlantı Uçları  : Güvenli sıkıştırma vidaları
Kullanım Limiti : AC15 Ve (V) 24 48 120 240
                                        Ie (A) 10 10 6 3
                               DC13 Ve (V) 24 48 125 250
                                        Ie (A) 3 1,5 1 0,5
Uygunluk : CE

MC Serisi & MW Serisi Joystick
- 1 veya 2 eksenli hareket
- Her eksen doğrultusunda 4 hareket
- Sıfır konumunda elektriksel kilit mekanizması
- Ağır sanayi koşullarına uygun ( heavy-duty )