Fiyat teklifi için lütfen tıklayınız

Hava İletimli DC Konnektör

Ravioli Euro Serisi Hava Besleme Sistemli DC Konnektörler
  RAVIOLI'nin EURO- konnektörleri CE işaretli olup aşağıdaki normlara uyum sağlar:
- Norm DIN 43589 1 ve 2. Parçalar, merkezler ve birleştirilmiş ebatlar arasındaki birleştirilmiş mesafeleri tanımlar.
- Öneriler  FEM 4007a ve 4007b dir.
- EEC Avrupa Topluluğu  86/663 Add.C yönergesi.
- Standardize Avrupa Normu EN1175-1
- EEC Avrupa yönergesi 73/23 – düşük voltaj

AVRUPA Serisi konnektörleri kullanarak, RAVIOLI müşterileri CEE Normları ile uyumlu halde olduklarını bilmektedirler.
Üstelik; bazı traksiyoner akü tiplerinde, bataryanın ömrünün uzatılması için elektrolitin havayla karışımına ihtiyaç vardır.
Bu nedenle, konnektörler iki küçük boru içermektedir, birisi soket için birisi priz, batarya şarjı ve batarya arasındaki hava taşıması içindir.
Bu konnektörler elektrik motorlarının, batarya ve batarya şarjlarının fork liftlerin ve elektrikli araçların birbirine bağlanması için uygundur. Her bir model her biri
Birbirinden farklı olan bir priz ve soketten oluşmaktadır.

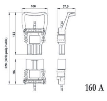
Ürün grubu üç modelden oluşmaktadır: 80A:
  • 16  25 mm2 yalıtımlı kablo için 160A:
  • 25, 35, veya 50 mm2 yalıtımlı kablo 320A:
  • 50, veya 70 mm2 yalıtımlı kablo

Bütün tipler kullanılan kablonun çapına bağlı olarak bileziklerin azaltılmasında kullanılacak şekilde hazırlanmıştır. Ana kontaklar gümüş kaplamalı elektrolitik bakırdır. Normlarla belirtildiği gibi:

  • Konnektörler bir kodlama pini ile temin edilmektedirler, kodlama pini ise, aynı voltaj prizlerinin ve soketlerinin bağlanabilir olduğunu güvence altına alan çalışma voltajı içindir.  
    Kodlanmış değerler şunlardır 24-36-48-72-80-96V cc.
  • Standart malzeme, bütünleşik priz ve soketin ucundaki IP23 koruma sınıfında olan bir kablo tutucu içermektedir.
  • Tüm elektriksel parçalar rastlantısal kontağa karşı korumalıdır. Buna ek olarak, iki yardımcı kontak maks. 20A devamlı çalışma özellikli olup
    ​ana kontaklara erkenden açılma ile takılabilir.
Air-Tech Avrupa Serisi DC KonnektörlerAir-Tech Avrupa Serisi DC KonnektörlerAir-Tech Avrupa Serisi DC KonnektörlerAir-Tech Avrupa Serisi DC KonnektörlerAir-Tech Avrupa Serisi DC Konnektörler