Fiyat teklifi için lütfen tıklayınız

MW2330

MW2330 - Yüksek Akım Slip Rings
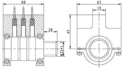
Dış Çap 45mm(1.77") * Uzunluk 65mm(2.56"), 3 kanallı * 30A
MW2330 slip ring'ler küçük kompakt ve 45.00mm Dış Çap* Uzunluk 65mm özellikte olup, standart, satışa hazır durumdadırlar.
Basitleştirilmiş elektrik bağlantıları için renk kodlu ana kablolar statorda ve rotorda kullanılır. 
Her bir iletken için karbon fırça iletken tasarımı kullanılır.

MW2330
 
Max Speed Working life Torque Housing 
Material
Electrical noise①
@10Rpm
MW2330 150RPM 40million 3 N·m Plastics 10mΩ
Shared Specifications
Wires 3 Current 30A
Voltage 600 VDC/VAC Max speed 150RPM
Contact material Carbon brush Torque 0.06N.m
Working life depends on working speed Electrical noise <50mΩ
Dielectric strength 1000VDC@50Hz Lead Wire 6mm²
Insulation resistance 1000MΩ@500VDC Lead Lengths 250mm
Operating Temp. -40°C to 80°C Protection IP51
Mechanical vibratio MIL-SID-810E Humidity 10% to 90% RH
Materials Lead Free,RoHS compliant CE Certified YES

Notes:
1)The operational life of the unit is dependent upon rotational speed, environment and temperature.
2)Lead Wire size: 8A -> AWG16,15A -> AWG16,30A -> AWG12 colored code.
3)Electrical noise is dependent upon the rotating speed and current,voltage.

 

Standard drawings:

Lead wire Color codes
Rings# Color Code
1 RED
2 BLK
3 Blue
  • If you don't see what you want in this website,let us know; we may already have it designed or we will modify a design to meet your requirements. In many cases the specifications in the catalog can be changed to include bore size, circuits number, higher current/voltage,flange, lead wire length,shielding,connectors,higher speed,IP68,military grade,higher temperature, mixed with pneumatic/hydraulic capability. Please ask if you don't see exactly what you need as only a small fraction of our Moflon slip rings are included in this catalog!
     
  • Optional flange mounting.
  • Specified connectors and Heat-shrink tube.
  • Longer lead lengths available.
  • High temperature is optional.
  • Military Grade.

Typical Application

  • Small wind turbine.
  • Automation.
  • Cut equipments.
  • Rotary table
  • Robotics
  • Laboratory equipmen
  • Manufacturing and process control equipment