Ana Sayfa
Kurumsal
Hakkımızda
Misyon - Vizyon
Kariyer
Çalışma Alanlarımız
Repertuar Yazılarımız
Distribütörlüklerimiz
Dergi Yazılarımız
Kalite Politikası
Ürünlerimiz
Ravioli
Mercotac
Hokuyo
Tri-Tronics
Moflon
Precizika Metrology
Delcon
Kwangwo
EOCR Schneider Electric
Bulk Pro Sistemler
KBT
Marathon SP
Nippon GT
Tamagawa
Suntes
Vigor Technology
Nohken
Zander Aachen
Inosol
Prosper
Danotherm
Elmo
Kansai Automation
Showa Giken Industrial Co, Ltd
Bilgi Bankası
PDF Bankası
Vigor Eğim Sensörü
Optik Data Transfer Cihazı
Tur Swich
Savunma Sanayii Uygulamalarınıza Özel Sliprings Kullanımı
Slip Rings
Enkoder
Resolver
Sensör
Solid State Röle - SSR
Bant Kaydı Şalteri
DC Kontaktör
DC Konnektör
İletişim
Bize Ulaşın
Online İletişim Formu
Müşteri Memnuniyeti
Adres Değişikliği
LTN Slip Rings
SC012
SC020
SC020 Coaxial
SC040
SC050
SC080
SC100
SC104
SH085
SM050
SM070
Disk Slip Ring
Anasayfa
Ürünlerimiz
LTN
LTN Slip Rings
SM050
Fiyat teklifi için lütfen tıklayınız
SM050
Genel Bilgiler
Teknik Bilgiler
Dokümanlar
Diğer Özellikler
Ürün Videosu
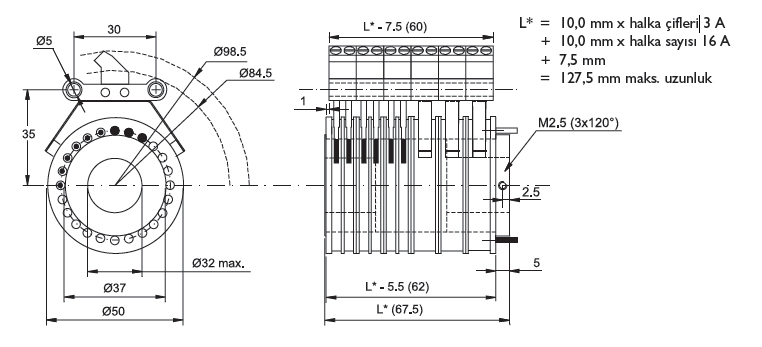
LTN Slip Ring - Kapsül Tip SM050
Genel Özellikleri
3A olarak maksimum 24 halka,
16A olarak maksimum 12 halka,
3A ve 16A halkalar kombine edilebilir.
Dış Çap: 50mm
İç Çap: Maksimum 32mm
240V AC /240V DC
Stator: Klemp terminaller, uçlar
ELEKTRİKSEL ÖZELLİKLER
Halka Sayısı : Sinyal iletimi için maksimum 24 halka ve güç iletimi için maksimum 12 halka.
Akım : Sinyal için maksimum 3 A ve güç için maksimum 16A
Nominal Gerilim : 240 V DC / 240 VAC ve daha yüksek gerilimdede talep edilebilir.
Makisum gerilim Potansiyeli : 500V AC
Yalıtım Direnci : 500VDC gerilimde 1000 Megaohm
Hassasiyet : Altın/Altın kontak kullanılarak 6 VDC, 50mA ve 5 rpm devirde 60miliohm.
Kontak Yapıları : Altın / Altın Kontaklar veya Gümüş Karbon / Bakır Kontaklar
MEKANİK ÖZELLİKLER
Maksimum Hız : 250rpm, daha yüksek devirde talep edilebilir
Koruma Sınıfı : IP 00
Sıcaklık : 20 °C ... +80 °C
Rotor Bağlantısı : standart 300mm bağlantı uçları
Stator Bağlantısı : Klemp terminaller ; bağlantı ucu opsiyonu
İmaj Teknik Slip Rings