Fiyat teklifi için lütfen tıklayınız

Kollu Bant Kayma Şalterleri

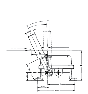
KBT NSR22-BM

Kollu Bant Kayma Şalteri Ağır Sanayi Uygulamaları için Uygundur.

Kollu bant kayma şalterinin mekanizması ve parçaları sağlam yapıdaki alüminyum metal mahfazasına yerleştirilmiştir çalışma ortamından dolayı ağır şartlarda görev yapmaktadır öyle ki işletmede çıkabilecek her tür pürüze karşılık taleplere cevap verebilecek durumda olup uzun yıllar boyunca güvenilir hizmet sunma garantisi verir. Şalter mekanizması öyle yapılandırılmıştır ki, kollu bant kayma şalterinin geri çekilme ucunda aksaklık yaşansa bile iç switch yapısı faaliyetini sürdürebilir durumdadır.

Tip NSR 22-BM'ye ait kollu bant kayma şalteri taşıma bantının her iki tarafından tersine çevrilir ve işletici silindire monte edilir. Çok uzun taşıma bantlarında ise beklenen uzun hat çalışma nedenlerine göre kollu bant kayma şalteri ön görülmüştür. Ayrıca bu şalterlere müşteri talebine göre kontak ilave edilebilir. Kontakların irtibat yüzeyleri gümüş kaplamadan yapılmıştır. Kontağın özel tasarımı sayesinde gümüş kontak yüzeylerine sürtünür ve temizleme amacıyla biri diğerinin üzerine sürtünür.

Referanslarımız

Küre Bakır Isletmeleri,
Divrigi Demir Çelik Isletmesi,
Bandırma Boraks Isletmeleri
Seyit Ömer Termik Santrali
Çatalagzı Termik Santrali
Karabük Çimento Fabrikası
Mardin Çimento Fabrikası
Gap Limyit isletmeleri
Eti Gümüs Fabrikası
Erdemir 
Karabük Demir Çelik Fabrikası
Iskenderun Enerji
Sanko Çimento Fabrikası
Küre Kireç Fabrikası
Bolu Çimento Farbrikası v.s.Iskenderun Enerji
Nuh Çimento
Çimentaş
Eti Krom
İçdaş A.Ş.
TMC Fosfat İşletmesi
Aslan Çimento

ve bir çok ağır sanayi şirketleri...

Kollu Bant Kayma ŞalterleriKollu Bant Kayma ŞalterleriKollu Bant Kayma Şalterleri

KBT NSR22-BM

Konveyor Bant Kollu Bant Kaydı Şalteri 

  • Ani hareket mekanizması, direkt açılış
  • Kontak Durumu: 2NC+2NO Standart (İsteğe Göre 2NO+2NC daha ilave edilebilir
  • Alüminyum gövde
  • 2 kablo çıkışlı (Paslanmaz metal rekorlu)
  • Makara ile kemer arasında basamaksız boşluk ayarı
  • IP 66 Korumalı (Toz ve su geçirmez)

Made in Turkey