YATAY PAKETLEME MAKİNALARI İÇİN YENİLİKÇİ ÇÖZÜM MERCOTAC MODEL 430

 


Yatay paketleme makinalarınde döner çeneler kullanılmakta olup, hareketli çenelere elektrik aktarımını sağlamak ve çenelerdeki termokupl ya da PT100 bilgisini ısı kontrol cihazına aktarmak için döner konnektör kullanılmaktadır.

Bakır bileziklerin, bakım gereksinimi ve belirli bir hızın üzerine çıkılması durumunda iletimde problemler çıkarması
( Termokupl ya da PT100 bilgisinde hata ) fire oranını artırmakla beraber bakım süresinden dolayı üretimi de düşürmektedir.  Bakım gerektirmeyen Mercotac Model 430 yatay paketleme makinalarında ki bu tip sorunları ortadan kaldırmak için özel olarak tasarlanmıştır.

 

 

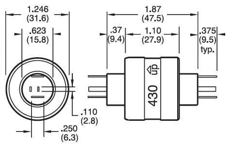
Mercotac  430 modeli 4 iletkenli bir Slip Rings'tir. İletimi bakır bilezik ya da kömür gibi sürtünme yolu ile yapmayıp, içerisinde bulunan metal alaşımlı sıvı üzerinden yapmaktadır. Sıvı sayesinde iki uç birbirinden kopma ve sürtünme olmaksızın sürekli temas halinde çalışmaktadır. İç direnci 1 mΩ dan küçük olması iletimde ki deformasyonu minimuma indirerek doğru ve kaliteli iletim yapılmasını sağlamaktadır.

 

 Mercotac Model 430 ile iki ucundan iletken başı maksimum 30 Amper 250 Volt AC/DC , diğer iki ucundan 4 Amper 250 Volt AC/DC elektriksel güç iletimi yapılabilmektedir.

 

 

Yatay paketleme makinalarında tek bir ürün üzerinden hem rezistans beslemesi hem de termokupl ya da PT100 bilgisi ısı kontrol cihazına aktarılmaktadır. Maksimum 1200 RPM çalışma hızı ile paketleme makinalarının daha seri çalışmasına olanak vermektedir.

Mercotac firması ürün montajını en kolay seviyeye indirebilmek amaçlı Model 430 için bir çok özel bağlantı aparatı geliştirmiştir, özel koruma aparatı ile ürün için IP51 koruma sağlamaktadır.